中文版 ENGLISH
泰豪电子有限公司——斯卡特插座、RCA同芯插座、轻触开关、耳机插座、DC电源插座、USB插座、卡座、拨动开关、连接器等电子电器元件
CS型21|42芯插座系列
RCA同芯插座系列
IF型射频插座系列
PJ耳机插座系列
6.35插座系列
HDMI插座系列
手机连接器系列
USB插座系列
S端子系列
轻触开关系列
DC电源插座系列
船型开关系列
PCB网络插座系列
电源开关系列
存储卡座系列
拨动开关系列
电池座系列
自锁开关系列
VGA插座系列
WP外接线插座系列
AC电源插座系列
直键开关系列
微动开关系列
复位开关系列
保险丝座系列
JSZ接线柱系列
可调电阻系列
FFC|FPC连接器系列
排针|排母系列
连接线(器)系列
    你现在的位置: 产品中心  >  产品型号:电池座
产 品 图 片
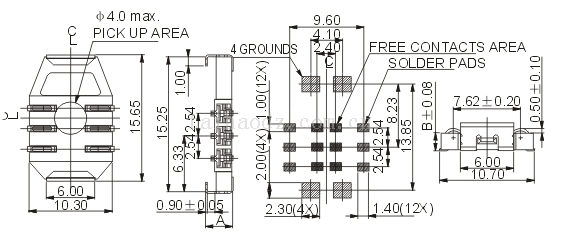
产 品 图 纸
 
暂无

产品性能参数

 
  使用温度范围(Temperature): -40~70℃
  额定负荷(Rated Load): DC 0.2A 50V
  接触电阻(Contact Resistance); ≤0.03Ω
  绝缘电阻(Insulation Resistance): ≥100MΩ
  耐 压(Withstand Voltage); AC 500V(50Hz)/min
  动作力(Actuating Force): 5~15N
  寿 命(Life): 10000次

  关于我们产品展示新闻中心网络分布在线留言人才招聘联系我们网站导航             网址: http://www.taihaodz.com.cn      E-mail:taihao@taihaodz.com.cn  

  版权所有 © 2014 泰豪电子有限公司    网站管理